IL Timer 555

Il timer 555 è un circuito integrato progettato allo scopo di fornire impulsi di durata prestabilita. In pratica il timer 555 è un temporizzatore.

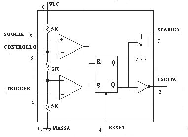
Lo schema a blocchi del circuito integrato “Timer 555” è il seguente:

Possiamo notare tre resistori uguali da 5 KW , aventi lo scopo di dividere la tensione di alimentazione Vcc per avere due tensioni di riferimento multiple di 1/3 di Vcc; in fatti tra il resistore inferiore e massa, cioè sul morsetto non invertente del comparatore (operazionale) in basso, abbiamo una tensione pari a 1/3Vcc e tra il secondo resistore e massa, cioè sul morsetto invertente del comparatore in alto, abbiamo una tensione pari a 2/3Vcc.

Il primo comparatore, quello superiore, è collegato con l'ingresso invertente a 2/3Vcc, mentre l'ingresso non invertente è disponibile all'esterno (piedino 6) ed è chiamato soglia. In pratica quando la tensione sul piedino 6 è maggiore di 2/3Vcc l'uscita del primo comparatore si porta a livello logico alto (1); quando, invece, la tensione sul piedino 6 è inferiore a 2/3Vcc l'uscita del primo comparatore si porta a livello basso (0).

Il secondo comparatore , quello inferiore, è collegato con l'ingresso non invertente a 1/3Vcc, mentre l'ingresso invertente è disponibile all'esterno (piedino 2) ed è chiamato trigger. In pratica quando la tensione sul piedino 2 è maggiore di 1/3Vcc l'uscita del secondo comparatore si porta a livello logico basso (0); quando, invece, la tensione sul piedino 2 è inferiore a 1/3Vcc l'uscita del secondo comparatore si porta a livello alto (1).

Le uscite dei due comparatori sono applicate in ingresso ad un latch di tipo S-R.

Il latch di tipo S-R è un circuito logico con due ingressi e due uscite. L'ingresso SET, posto a 1 obbliga l'uscita Q a portarsi a 1; l'ingresso RESET, quando si trova a livello logico 1, porta l'uscita Q a zero, cioè l'azzera. La tabella di verità è la seguente:

 

 

SET

RESET

Q

/Q

 

 

 

 

 

 

 

 

0

0

Q

/Q

 

 

0

1

0

1

 

 

1

0

1

0

 

 

1

1

Indeterminato

Indeterminato

 

 

 

 

 

 

 

 

Nel timer 555 delle due uscite l'uscita Q non viene utilizzata, ma viene usata solo l'uscita Q negato (in effetti l'uscita al piedino 3 è vera). Se Q negato si trova a livello alto, manda in saturazione il transistor e quindi il piedino 7 viene collegato a massa, permettendo la scarica del condensatore, che di solito, viene applicato al piedino 7; se invece l'uscita Q negato si trova a livello basso il transistor è interdetto, quindi il piedino 7 si trova isolato da massa, permettendo la eventuale carica del condensatore. Sull'uscita Q negato è applicato un invertitore, che trasforma l'uscita Q negato in uscita Q, rendendo disponibile una elevata corrente in uscita.

Il timer 555 può essere utilizzato sia come multivibratore astabile, che come monostabile (e con qualche artificio anche come bistabile).

 

GiorginiGiorgio@infozone.it







Software Ristorante Software Ristoranti